Выключатель-разъединитель ВР32И-31А30220 100А GENERICA

Артикул:
Основные характеристики
| Количество полюсов | 3 |
| Макс допустимое раб напряжение Ue AC, В | 690 |
| Номин продолжительный ток Iu, А | 100 |
| Номин импульсное выдерживаемое напряжение, кВ | 8 |
| Номин напряжение изоляции Ui, В | 690 |
Описание
Выключатели-разъединители серии ВР32И предназначены для неавтоматической коммутации цепей переменного тока номинальным напряжением до 690 В номинальной частоты 50 Гц.
Используются для установки в низковольтные комплектные устройства, такие как ВРУ жилых, общественных и промышленных зданий, шкафы и пункты распределительные, шкафы и ящики управления, ящики силовые и т.п.
Выключатели-разъединители ВР32И соответствуют требованиям ГОСТ Р 50030.3.
Срок службы:
10 лет
Гарантия:
5 лет
Преимущества
- Удобство монтажа и эксплуатации.
- Низкие потери мощности за счет применения современных материалов.
- Двойной видимый разрыв цепи, цветовая индикация положения "Включено" позволяют повысить безопасность обслуживания электроустановки техническим персоналом.
- Возможность присоединения медных и алюминиевых токопроводящих жил, а также медных и алюминиевых шин.

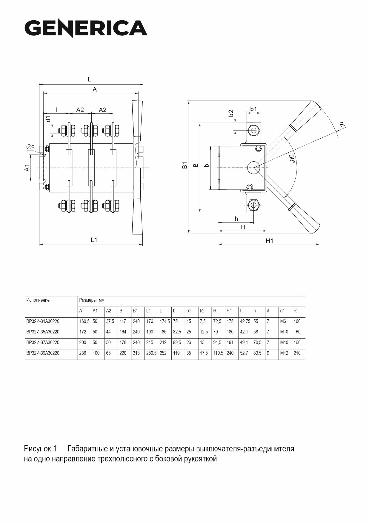
Особенности конструкции
Технические характеристики
| Количество полюсов | 3 |
| Макс допустимое раб напряжение Ue AC, В | 690 |
| Номин продолжительный ток Iu, А | 100 |
| Номин импульсное выдерживаемое напряжение, кВ | 8 |
| Номин напряжение изоляции Ui, В | 690 |
| Климатическое исполнение | УХЛ3 |
| Компактная версия выкл-разъединителя | Нет |
| Макс сечение входящего кабеля, мм² | 10-50 |
| Условный номин ток короткого замыкания Iq, кА | 8000 |
| Тип элемента управления | Короткая поворотная ручка (узкий хват) |
| Частота | 50 Гц |
| Пригоден в кач предохранительного выкл | Нет |
| Тепловые потери, Вт на полюс | 3 |
| Реверсивный переключатель | Нет |
| Конструкция прибора | Встраиваемое устройство для встраиваемой техники |
| Пригоден в качестве сервисного выкл-ля | Нет |
| Степень защиты - IP передняя сторона | IP00 |
| Моторный привод - дополнительно | Нет |
| Пригоден в кач устр аварийной остановки | Нет |
| Пригоден в качестве главного выключателя | Да |
| Подходит для установки в распредел платы | Нет |
| Подходит для промежуточного монтажа | Нет |
| Тип подключения силовой электрич цепи | Болтовое соединение |
| Подходит для напольного монтажа | Нет |
Документация
Сертификаты
Паспорта и РЭ
Дополнительные изображения
Модели для проектировщиков
Комплектация
Рукоятка боковая - 1 компл;
Руководство по эксплуатации. Паспорт - 1 экз;
Болт М6х16 – 9 шт;
Гайка М6 – 9 шт;
Шайба плоская 6 - 18 шт;
Шайба пружинная 6 – 9 шт
Логистические параметры
| Индивидуальная | Транспортная | |
|---|---|---|
| Количество | 1 | 18 |
| Единицы измерения | шт | шт |
| Тип упаковки | КОРОБКА/БОКС | КОРОБКА/БОКС |
| Материал упаковки | КАРТОН | ГОФРОКАРТОН ПЯТИСЛОЙНЫЙ |
| Штрихкод | 4606056380088 | 4606056380095 |
| Вес брутто, кг | 1.144 | 20.6 |
| Вес нетто, кг | 0.954 | 17.172 |
| Объем, м^3 | 0.003007 | 0.05412 |
| Длина, см | 20 | 44 |
| Высота, см | 9 | 30 |
| Ширина, см | 13.5 | 41 |
| Способ нанесения информации | На коробку | На стикер |