Выключатель-разъединитель ВР32И-35В31250 250А GENERICA

Артикул:
Основные характеристики
| Количество полюсов | 3 |
| Макс допустимое раб напряжение Ue AC, В | 690 |
| Номин продолжительный ток Iu, А | 250 |
| Тип подключения силовой электрич цепи | Болтовое соединение |
| Пригоден в качестве главного выключателя | Да |
Описание
Выключатели-разъединители серии ВР32И предназначены для неавтоматической коммутации цепей переменного тока номинальным напряжением до 690 В номинальной частоты 50 Гц.
Используются для установки в низковольтные комплектные устройства, такие как ВРУ жилых, общественных и промышленных зданий, шкафы и пункты распределительные, шкафы и ящики управления, ящики силовые и т.п.
Выключатели-разъединители ВР32И соответствуют требованиям ГОСТ Р 50030.3.
Срок службы:
10 лет
Гарантия:
5 лет
Преимущества
- Удобство монтажа и эксплуатации.
- Низкие потери мощности за счет применения современных материалов.
- Двойной видимый разрыв цепи, цветовая индикация положения "Включено" позволяют повысить безопасность обслуживания электроустановки техническим персоналом.
- Возможность присоединения медных и алюминиевых токопроводящих жил, а также медных и алюминиевых шин.

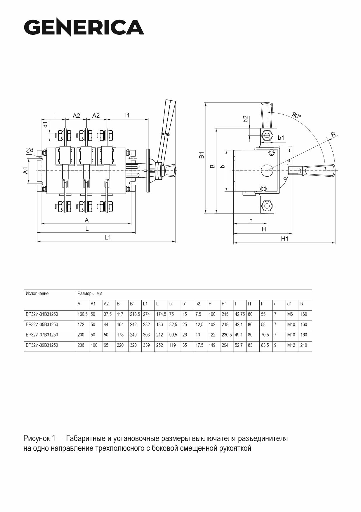
Особенности конструкции
Технические характеристики
| Количество полюсов | 3 |
| Макс допустимое раб напряжение Ue AC, В | 690 |
| Номин продолжительный ток Iu, А | 250 |
| Тип подключения силовой электрич цепи | Болтовое соединение |
| Пригоден в качестве главного выключателя | Да |
| Тип элемента управления | Короткая поворотная ручка (узкий хват) |
| Степень защиты - IP передняя сторона | IP00 |
| Конструкция прибора | Встраиваемое устройство для встраиваемой техники |
| Тепловые потери, Вт на полюс | 15 |
| Пригоден в кач предохранительного выкл | Нет |
| Подходит для напольного монтажа | Нет |
| Пригоден в качестве сервисного выкл-ля | Нет |
| Моторный привод - дополнительно | Нет |
| Условный номин ток короткого замыкания Iq, кА | 14000 |
| Климатическое исполнение | УХЛ3 |
| Подходит для промежуточного монтажа | Нет |
| Пригоден в кач устр аварийной остановки | Нет |
| Номин импульсное выдерживаемое напряжение, кВ | 8 |
| Компактная версия выкл-разъединителя | Нет |
| Макс сечение входящего кабеля, мм² | 70-150 |
| Номин напряжение изоляции Ui, В | 690 |
| Реверсивный переключатель | Нет |
| Подходит для установки в распредел платы | Нет |
| Частота | 50 Гц |
Документация
Сертификаты
Паспорта и РЭ
Дополнительные изображения
Модели для проектировщиков
Комплектация
Камера дугогасительная - 6 шт;
Рукоятка боковая смещенная - 1 компл;
Руководство по эксплуатации. Паспорт - 1 экз;
Болт М10х22 – 9 шт;
Гайка М10 – 9 шт;
Шайба плоская 10 – 18 шт;
Шайба пружинная 10 – 9 шт
Логистические параметры
| Индивидуальная | Транспортная | |
|---|---|---|
| Количество | 1 | 12 |
| Единицы измерения | шт | шт |
| Тип упаковки | КОРОБКА/БОКС | КОРОБКА/БОКС |
| Материал упаковки | КАРТОН | ГОФРОКАРТОН ПЯТИСЛОЙНЫЙ |
| Штрихкод | 4606056168266 | 4606056168594 |
| Вес брутто, кг | 1.9 | 22.8 |
| Вес нетто, кг | 1.692 | 20.304 |
| Объем, м^3 | 0.003567 | 0.042804 |
| Длина, см | 19.5 | 41 |
| Высота, см | 13 | 29 |
| Ширина, см | 17 | 36 |
| Способ нанесения информации | На коробку | На стикер |