Разъединитель РЕ19-41-31140 1000А GENERICA

Артикул:
Основные характеристики
Количество полюсов | 3 |
Макс допустимое раб напряжение Ue AC, В | 1000 |
Номин продолжительный ток Iu, А | 1000 |
Степень защиты - IP передняя сторона | IP00 |
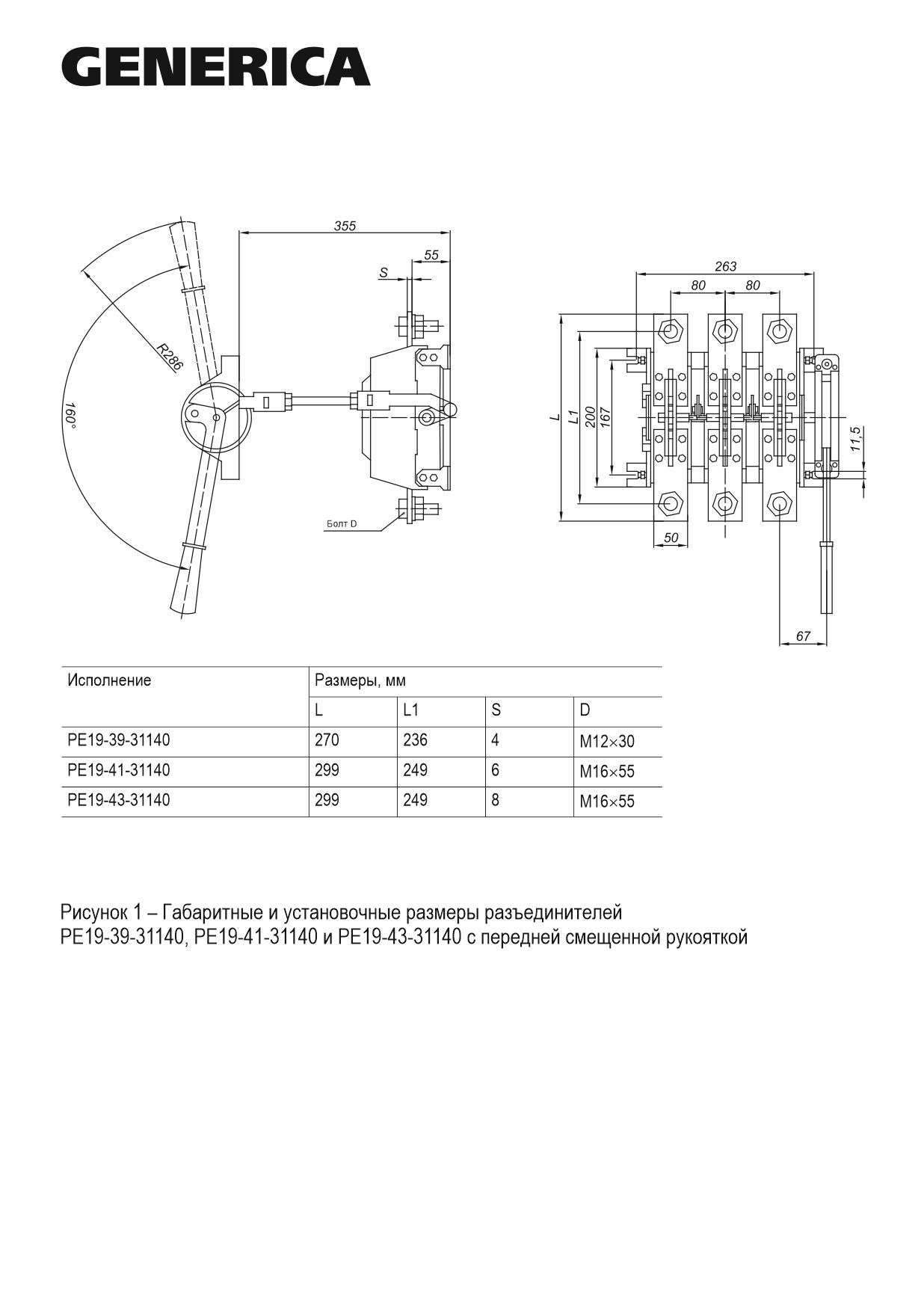
Вид рукоятки ручного привода | Передняя смещенная |
Описание
Разъединители серии РЕ19 предназначены для проведения номинального тока и нечастых неавтоматических коммутаций электрических цепей без нагрузки номинальным напряжением до 1000 В переменного тока частоты 50, 60 Гц.
РЕ-19 IEK могут применяться в распределительных устройствах с номинальными токами от 250 до 1600А.
Разъединители серии РЕ-19 IEK соответствуют требованиям ГОСТ Р 50030.3.
Срок службы:
10 лет
Гарантия:
5 лет
Преимущества
- Удобство монтажа и эксплуатации.
- Низкие потери мощности за счет применения высококачественных материалов.
- Видимый разрыв цепи.
- Широкий ассортимент рукояток управления.
- Возможность присоединения медных и алюминиевых проводников.
Особенности конструкции
Технические характеристики
Количество полюсов | 3 |
Макс допустимое раб напряжение Ue AC, В | 1000 |
Номин продолжительный ток Iu, А | 1000 |
Степень защиты - IP передняя сторона | IP00 |
Вид рукоятки ручного привода | Передняя смещенная |
Степень защиты - IP | IP00 |
Номин напряжение изоляции Ui, В | 1000 |
Компактная версия выкл-разъединителя | Нет |
Пригоден в качестве главного выключателя | Да |
Условный номин ток короткого замыкания Iq, кА | 100 |
Пригоден в кач предохранительного выкл | Нет |
Подходит для напольного монтажа | Нет |
Пригоден в качестве сервисного выкл-ля | Нет |
Пригоден в кач устр аварийной остановки | Нет |
Тип подключения силовой электрич цепи | Болтовое соединение |
Тип элемента управления | Короткая поворотная ручка (узкий хват) |
Частота | 50/60 Гц |
Подходит для установки в распредел платы | Нет |
Моторный привод - дополнительно | Нет |
Подходит для промежуточного монтажа | Нет |
Конструкция прибора | Встраиваемое устройство для встраиваемой техники |
Климатическое исполнение | УХЛ3 |
Реверсивный переключатель | Нет |
Документация
Сертификаты
Паспорта и РЭ
Дополнительные изображения
Модели для проектировщиков
Комплектация
Разъединитель - 1 шт.
Комплект метизов
Паспорт - 1 экз.
Логистические параметры
Индивидуальная | Транспортная | |
---|---|---|
Количество | 1 | 1 |
Единицы измерения | шт | шт |
Тип упаковки | КОРОБКА/БОКС | КОРОБКА/БОКС |
Материал упаковки | ГОФРОКАРТОН ПЯТИСЛОЙНЫЙ | ГОФРОКАРТОН ПЯТИСЛОЙНЫЙ |
Штрихкод | 4606056379877 | 4606056379877 |
Вес брутто, кг | 9.7 | 9.7 |
Вес нетто, кг | 9.215 | 9.215 |
Объем, м^3 | 0.02448 | 0.02448 |
Длина, см | 35 | 36 |
Высота, см | 20.5 | 20 |
Ширина, см | 35 | 34 |
Способ нанесения информации | На стикер | На стикер |